Адресная метка Рубеж АМ-4 Рубеж — купить по цене от 1 489 ₽ | ПрофБезопасность
Загрузка...
+7 (800) 700-51-90
+7 (862) 296-00-52
с 9:00 до 18:00
0
0
0 В корзине пока пусто
Каталог товаров
Новости компании
Etalon
27.11.2025 Etalon
Прокатно-штампованные решетки: новое поколение свинцово-кислотных аккумуляторных батарей
Блог
Как подключить IP видеокамеру Hikvision к регистратору Dahua?
Как подключить IP видеокамеру Hikvision к регистратору Dahua?
Инструкция по решению проблемы с подключением ip камеры Hikvision к регистратору Dahua.
Автоматическое управление освещением по датчику движения
Автоматическое управление освещением по датчику движения
Простое решение, основанное на оборудовании Security Hub  и Астра. 
Типовое решение для управления теплым полом
Типовое решение для управления теплым полом
Решение по управлению системой умного теплого пола при помощи оборудования Security Hub. 
Сделано в России
Адресная метка Рубеж АМ-4
Адресная метка Рубеж АМ-4 фото 2
Адресная метка Рубеж АМ-4 фото 3
Артикул: 00-00014353
Характеристики:
Производитель
Рубеж
Тип
Адресная метка
Количество линий контроля
4 линии
Протокол адресной линии
Рубеж протокол R1
Габаритные размеры
125x78x37 мм
Рабочий диапазон температур
от -25 до +60C
Напряжение питания
от АЛС (24-36 В)
Загрузка
Рассчитываем стоимость доставки
Пожалуйста подождите, рассчет займет немного времени

Файлы

Паспорт Рубеж АМ-4 Файлы, 1.45 МБ

Описание товара

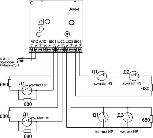
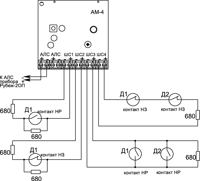
Адресная метка предназначена для получения извещений от устройств с выходом типа «сухой контакт», не питающихся от шлейфа, и передачи извещений в приемно-контрольный прибор.
Функционально адресная метка АМ-4 представляет четыре отдельных логический устройства АМ-1.
Адресная метка предназначена для работы в системах пожарной
и охранной сигнализации, созданных на базе приборов
р

Характеристики

Основные
Производитель Рубеж
Тип Адресная метка
Количество линий контроля 4 линии
Протокол адресной линии Рубеж протокол R1
Габаритные размеры 125x78x37 мм
Рабочий диапазон температур от -25 до +60C
Напряжение питания от АЛС (24-36 В)

Эксперт

Чекунова Евгения

Эксперт Чекунова Евгения

Специалист по спутниковому, эфирному и IPTV телевидению. Помогу подобрать телевидение и оборудование для его приема. Имею опыт в построении коллективных систем телевидения для многоквартирных домов и гостиниц. Регулярно посещаю семинары от мировых лидеров рынка телевизионного оборудования.

Бесплатная услуга

Задать вопрос эксперту
Задать вопрос эксперту

Имя*
Ваш телефон*
E-mail
Вопрос*

* - Поля, обязательные для заполнения

Сообщение отправлено
Ваше сообщение успешно отправлено. В ближайшее время с Вами свяжется наш специалист
Закрыть окно
ПрофБезопасность

Сопутствующие товары

Похожие товары (4)

Адресная метка Рубеж АМ-4
Купить в один клик
Заполните данные для заказа
Запросить стоимость товара
Заполните данные для запроса цены
Запросить цену Запросить цену
ПрофБезопасность. от 1 руб до 400 000 руб ПрофБезопасность ПрофБезопасность
Россия СочиКраснодарский край 354000354000 ул. Гагарина 72к2
8 (800) 700-51-90 info@profbez.pro Monday-Saturday: 9:00 am to 6:00 pm
Сайт использует файлы cookie, обрабатываемые вашим браузером. Подробнее об этом вы можете узнать в настройках.
ПринятьНастроитьОтклонить